Producent
Kod produktu
75200670
Seria
Kolor
czarny
czarny
Termostat
Nie
Nie
Typ
Jednouchwytowa
Jednouchwytowa
Cechy produktu:
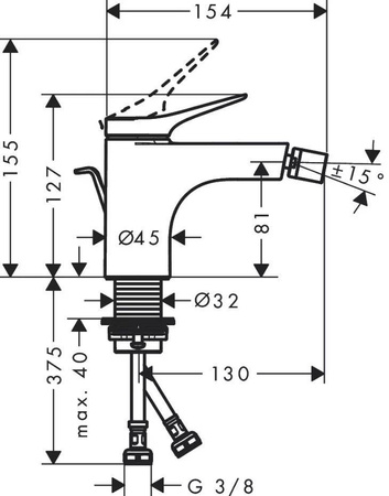
- składa się z: jednouchwytowa bateria bidetowa, zestaw odpływowy
- zasięg: 130 mm
- wysokość wylewki: 81 mm
- z przegubem
- rodzaj strumienia: strumień laminarny
- maksymalny przepływ przy 3 bar: 7,5 l/min
- M35LXS
- może współpracować z przepływowymi podgrzewaczami wody
- komplet odpływowy z cięgłem G 1¼
- materiał zestawu odpływowego: metal
- typ przyłącza: przyłącza G ⅜
Zapytaj o produkt
Dodaj opinię




